LIBRA H7 Мебельный навес для коробов нижнего яруса с креплением на штоки, правый, 6 34222 00 ZN

hot
Артикул:
6 34222 00 ZN
Код:
0000/42258
2000
Бренд
 
ИТАЛИАНА ФЕРРАМЕНТА / ITALIANA FERRAMENTA
Страна изготовитель
 
Италия
2000

Регулировка: по высоте 13 мм, по глубине 12 мм (при регулировке навеса не использовать шуруповерт!)

Материал: металл

Преимущества:

  • возможность установки навеса в короб с выдвижными ящиками без дополнительной фрезеровки боковины короба,
  • нагрузка на пару навесов 240 кг,
  • беспрепятственные регулировки: по вертикали 13 мм, по глубине 12 мм, по горизонтали за счет ответной планки (при регулировке навеса не использовать шуруповерт),
  • регулировки, как и во всем семействе навесов LIBRA, осуществляются независимо друг от друга это позволяет производить точную регулировку короба даже в полностью загруженном состоянии,
  • возможность опционального использования алюминиевого профиля в широких коробах и коробах без верхней крышки (как правило, в ванных комнатах, когда на короб сразу ставится раковина),
  • возможность дополнительной фиксации к стене через алюминиевый профиль в широких коробах с выдвижными ящиками,
  • возможность использования с профилем-навесом LIBRA CH.

Рекомендуется использовать с планкой LIBRA WP5.

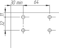
Присадочные размеры

Для боковины При использовании задней панели толщиной 3,2 мм без алюминиевого профиля

При использовании задней панели толщиной 3,2 мм с алюминиевым профилем

Использование навеса LIBRA H7 в корпусах с выдвижными ящиками

1. Возможность использования максимальной
глубины ящика за счет минимальной
толщины навеса.

2. Не требуется дополнительной
подготовки боковин для установки
навеса в короб с выдвижным ящиком.

3. Удобная регулировка навеса в коробе
свободный беспрепятственный доступ
к регулировочным винтам под прямым углом

(при регулировке навеса

не использовать шуруповерт!).

Установка навеса в корпус и навешивание корпуса на стену

Для навешивания корпуса на стену используются ответные планки LIBRA WP5.





Регулировка навеса

При регулировке навеса не использовать шуруповерт!

1. Регулировка

по вертикали 13 мм. 2. Регулировка

по глубине 12 мм. 3. Запатентованная система

полной фиксации.
Характеристики
  • Вид: видимые
  • Тип корпуса: для средних корпусов (гостинные, прихожие и тд.)
  • Коллекция: LIBRA H7
  • Производитель: Italiana Ferramenta (Италия)
  • Единица измерения: шт.
Бренд
ИТАЛИАНА ФЕРРАМЕНТА / ITALIANA FERRAMENTA
Наименование
Навесы
Крепежная и соединительная фурнитура
Навесы
Страна изготовитель
Италия
Тип корпуса
Гостиные / прихожие
Коллекция
Libra
Тип
Видимые
Назначение
Для деревянных корпусов
Сторона навески на корпус
Правая
Рядность корпусов
Нижний ряд
Нагрузка на пару
до 240
Цвет
Оцинкованный
Комплектация для данного товара находятся в процессе заполнения.
Оставьте заявку на расчет фурнитуры
Оставьте Ваши контактные данные и наш менеджер свяжется с вами в течение 15 минут, для обсуждения вашего проекта
Мы гарантируем конфиденциальность
Нажимая на кнопку, вы даёте согласие на обработку своих персональных данных
Условия и стоимость доставки

Свой заказ Вы можете получить в любой точке России, а доставку оформить наиболее быстрым и удобным для Вас способом.

Самовывоз со склада
Московская область, г. Мытищи, Ярославское шоссе, д. 118 Б, ТК "Строим Дом" по Москве и Московской области

Доставка товаров до указанного адреса в пределах МКАД осуществляется нашей курьерской службой.

  • Стоимость экспедиторской доставки по Москве и близлежащим к офису городам Московской области (Мытищи, Королев, Ивантеевка, Пушкино, Долгопрудный) составляет 750 рублей.
  • Дополнительная стоимость экспедиторской доставки за пределы МКАД составляет 50 рублей за 1 километр.

Доставка по России
Доставка товаров по России может производиться с помощью транспортных компаний или посредством EMS-отправлений.

Доставка транспортной компанией

  • При сумме заказа от 700 рублей доставка до терминала отправления ТК «Деловые Линии» на территории продавца сборным грузом осуществляется бесплатно.
  • При сумме заказа менее 700 рублей стоимость доставки до терминала ТК «Деловые Линии» на территории продавца составит 750 рублей.
  • Доставка до терминала отправления любой другой транспортной компании в пределах МКАД составляет 550 рублей.
  • Оплата межтерминальной перевозки груза производится покупателем при получении заказа в своем регионе.

Доставка через EMS «Почта России»

  • Доставка до отделения отправления на территории продавца, сборным грузом осуществляется бесплатно.
  • Обратите внимание, перевозка через EMS осуществляется только по 100 % предоплате перевозки!

Общие положения

  • При оформлении заказа на юридическое лицо получателю необходимо иметь при себе печать компании или доверенность на получение груза.
  • Физическим лицам для получения груза необходимо иметь при себе паспорт.
Способы оплаты

В нашем магазине Вы можете выбрать удобный способ оплаты заказа и оформить покупку без лишних проблем.

Способы оплаты

  • При самовывозе товара со склада в г. Мытищи, МО
    • Оплата наличными при получении
  • При оформлении курьерской доставки по г. Москва и ближайшему Подмосковью
    • Оплата банковской картой. Вы можете оплатить покупку банковскими картами МИР, Visa или MasterCard
  • При оформлении заказа на сайте
    • Безналичным платежом со 100% предоплатой.
    • Оплата производится в рублях РФ.

Обращаем Ваше внимание, что цены представленные в интернет-магазине действительны только при оформлении заказа через "корзину" на сайте.

Информация о товарах, размещенная на сайте, НЕ ЯВЛЯЕТСЯ публичной офертой, определяемой положениями ч. 2, ст.437 Гражданского Кодекса Российской федерации. Производитель ВПРАВЕ вносить изменения в технические характеристики, внешний вид и комплектацию товаров БЕЗ предварительного уведомления.

Уточняйте характеристики товаров у наших менеджеров перед оформлением заказа.

Условия возврата

Возврат товара и возмещение стоимости

На основании Закона "О защите прав потребителей" статьи 26.1 Покупатель в праве вернуть товар или отказаться от его приобретения, если сделка еще не состоялась, то в любой момент до её заключения, если же приобретение уже получено, то в срок до 7 календарных дней с момента получения товара.

В случае возврата приобретенного товара, покупатель должен сохранить товарный вид и целостность упаковки товара с ярлыками и артикулами. Кроме того необходим документ, подтверждающий факт совершения покупки, но если он утрачен, приобретатель имеет право предоставить другие доказательства. Если возврат осуществлен, продавец должен возвратить уплаченные за него денежные средства, кроме тех, которые были затрачены на услуги по организации доставки товара.

Плата за вскрытие фабричной упаковки

На ряд позиций ассортимента нашего магазина может взиматься дополнительная плата за вскрытие фабричной упаковки, в случае если покупатель хочет приобрести товар поштучно, и переупаковки товара под заказ покупателя. Плата за вскрытие упаковки составляет 110 руб. Дополнительную информацию Вы можете получить у менеджеров компании.

Гарантия на товар

Возврат товара и возмещение стоимости

На основании Закона "О защите прав потребителей" статьи 26.1 Покупатель в праве вернуть товар или отказаться от его приобретения, если сделка еще не состоялась, то в любой момент до её заключения, если же приобретение уже получено, то в срок до 7 календарных дней с момента получения товара.

В случае возврата приобретенного товара, покупатель должен сохранить товарный вид и целостность упаковки товара с ярлыками и артикулами. Кроме того необходим документ, подтверждающий факт совершения покупки, но если он утрачен, приобретатель имеет право предоставить другие доказательства. Если возврат осуществлен, продавец должен возвратить уплаченные за него денежные средства, кроме тех, которые были затрачены на услуги по организации доставки товара.

Плата за вскрытие фабричной упаковки

На ряд позиций ассортимента нашего магазина может взиматься дополнительная плата за вскрытие фабричной упаковки, в случае если покупатель хочет приобрести товар поштучно, и переупаковки товара под заказ покупателя. Плата за вскрытие упаковки составляет 110 руб. Дополнительную информацию Вы можете получить у менеджеров компании.

О бонусной программе

Постоянные клиенты нашего магазина покупают фурнитуру дешевле, так как у нас действует балловая система скидок.

При совершении заказа Вам начисляются баллы, которые вы можете потратить при следующей покупке. Один балл равен одному рублю. Код на скидку отображается при формировании заказа.

Если Вы забыли код или хотите уточнить количество накопленных баллов, просто позвоните нам, сообщите данные по предыдущему заказу, и мы Вам его предоставим.

Оставьте заявку на получение оптовых цен*
Оставьте Ваши контактные данные и наш менеджер свяжется с вами в течение 15 минут, для обсуждения условий сотрудничества
Мы гарантируем конфиденциальность
Нажимая на кнопку, вы даёте согласие на обработку своих персональных данных
* Мебельным фабрикам, Мебельным салонам, Дизайн студиям
Рекомендуемые товары
Обязательные товары
Ранее просмотренные товары
Боковина ящика HETTICH АванТех Ю / AvanTech You, H77, NL450, белый, правая
Звезда Не определен
Под заказ
Артикул:
9255083
Код:
0000/98820
1776.70
KALABRONE MINI Менсолодержатель для стеклянных полок 5 - 10 мм, хром
Звезда Не определен
Под заказ
Артикул:
1 62200 80 KB-1
Код:
0000/42354
689.52
Профиль-ручка крепление саморезами, алюминий матовый (анод), L-3000мм
Звезда Не определен
Под заказ
Артикул:
PH.RU36.3000.AL
Код:
0000/167497
2145.81
INTEGRATO TECH A Опора регулируемая под саморез, регулировка 12 мм
Звезда Не определен
Под заказ
Артикул:
3505001000
Код:
0000/160200
184.06
Ручка-кнопка латунь
Звезда Не определен
Под заказ
Артикул:
WPO.894.000.006C
Код:
0000/162659
448.59
Клейкая лента двусторонняя на вспененной основе (ПЭ), Ш=12 мм, Д=10 м (1210 P)
Звезда Не определен
Под заказ
Артикул:
1210 P
Код:
0000/147096
219.60
Лоток для колец и украшений 6 ячеек в полку КЕССЕБЁМЕР / KESSEBOHMER Конеро, D 345, черный
Звезда Не определен
Под заказ
Артикул:
2385957817
Код:
0000/155254
1952.00
Крестовой соединитель прямоугольного релинга Rejs Comfort Box, пластик, белый
Звезда Не определен
Под заказ
Артикул:
TH03.0399.05.013
Код:
0000/161747
209.11
ROME Менсолодержатель для деревянных полок L-200 мм, cлоновая кость/золото винтаж
Звезда Не определен
Под заказ
Артикул:
WRM.800.200.00V5
Код:
0000/48509
2349.00
Передняя панель внутреннего ящика Rejs Comfort Box, L1100, металл, серый
Звезда Не определен
Под заказ
Артикул:
TH03.0353.08.002
Код:
0000/161775
2272.91
GOLIGHT Профиль-ручка для верхней базы, под светодиодную ленту, черный матовый, L-2000
Звезда Не определен
Под заказ
Артикул:
GL3.152A.2000.7W PR
Код:
0000/158128
2075.62
Заглушка торцевая для FM1, золото матовое (LSPA-CAP-FM1-GL)
Звезда Не определен
Под заказ
Артикул:
LSPA-CAP-FM1-GL
Код:
0000/150631
19.95
Поперечный прямоугольный релинг Rejs Comfort Box, L1100, металл, белый
Звезда Не определен
Под заказ
Артикул:
TH03.0566.01.003
Код:
0000/161780
870.10
Ручка-раковина 96мм никель матовый (SH.05.096.SN)
Звезда Не определен
Под заказ
Артикул:
SH.05.096.SN
Код:
0000/150811
498.02
Ручка-кнопка 32мм Timeless metal titanium
Звезда Не определен
Под заказ
Артикул:
WMN.891.032.002N
Код:
0000/164227
593.22
TARGET Стяжка винтовая J10 метрическая резьба М6, для плиты 18мм
Звезда Не определен
Под заказ
Артикул:
TARGETJ10/P18/M6
Код:
0000/34354
198.32
Перегородка плоская Rejs Comfort Box, пластик, белый
Звезда Не определен
Под заказ
Артикул:
TH03.0760.05.013
Код:
0000/161750
88.30
MULTIGOLA Универсальный угол для гола-профиля  золото матовое (анод)
Звезда Не определен
Под заказ
Артикул:
GL4.11951.BBA
Код:
0000/165312
220.18
Боковина ящика HETTICH АванТех Ю Инлей / AvanTech You Inlay, H187, NL500, антрацит, правая
Звезда Не определен
Под заказ
Артикул:
9257166
Код:
0000/98855
3206.68
Пантограф усиленный КЕССЕБЁМЕР / KESSEBOHMER Конеро W 985-1168, G4-15, черный
Звезда Не определен
Под заказ
Артикул:
2387217021
Код:
0000/155179
31110.00
SI03 Винт для полкодержателя
Звезда Не определен
Под заказ
Артикул:
VE08FZ
Код:
0000/37794
7.14
Монтажный комплект для стабилизатора Rejs Comfort Box, NL500
Звезда Не определен
Под заказ
Артикул:
TH03.0428.08.130
Код:
0000/161732
660.28
Евровинт с плоской головкой, 6 X 14
Звезда Не определен
Под заказ
Артикул:
ES 6.0X14.0 FL MP
Код:
0000/165055
4.10
Релинг прямоугольный верхний Rejs Comfort Box, NL350, серый
Звезда Не определен
Под заказ
Артикул:
TH03.0371.01.002
Код:
0000/161693
435.26
Профиль-ручка 160мм (L=180мм) золото матовое (краска)
Звезда Не определен
Под заказ
Артикул:
PH.RU31.180.GL
Код:
0000/161586
395.94
LH60.20 Опора регулируемая для стяжки TARGET, регулировка 25 мм (P 18017 61 IJ)
Звезда Не определен
Под заказ
Артикул:
P 18017 61 IJ
Код:
0000/150225
200.00
Ручка-кнопка D30мм белый матовый
Звезда 3.50
Под заказ
Артикул:
WPO.813.000.00N3
Код:
0000/157101
340.24
Ручка-кнопка D40мм Petrol pop
Звезда 3.50
Под заказ
Артикул:
WPO.880.040.003C
Код:
0000/160814
802.77
GOLIGHT Универсальная профиль-ручка, черный матовый (анод), L-4200мм
Звезда Не определен
Под заказ
Артикул:
GL5.131.817.4200.7W
Код:
0000/167525
5623.94
Профиль-ручка L=180мм золото матовое (902A.9708.180)
Звезда Не определен
Под заказ
Артикул:
902A.9708.180
Код:
0000/146033
599.00
Профиль-ручка 160мм черный матовый (1498.160.1917)
Звезда Не определен
Под заказ
Артикул:
1498.160.1917
Код:
0000/146052
956.74
Пластиковый лоток для столовых приборов Rejs Pro в корпус 400, 380х490х45, белый
Звезда Не определен
Под заказ
Артикул:
TE13.2665.05.013
Код:
0000/161890
608.00
Клейкая лента двусторонняя на вспененной основе (ПЭ), Ш=19 мм, Д=20 м (1920 P)
Звезда Не определен
Под заказ
Артикул:
1920 P
Код:
0000/147098
610.00
Комплект фурнитуры HETTICH ВингЛайн / WingLine L, без функции самозакрывания, G12, левый
Звезда Не определен
В наличии
Артикул:
9237905
Код:
0000/99755
3817.44
Деревянный лоток для приправ Rejs, 260х472х50, дуб
Звезда Не определен
Под заказ
Артикул:
TO01.1108.48.227
Код:
0000/161868
10096.53
Заглушка самоклеящаяся, D13 мм, кашемир серый, шагрень (Eg U702), 117 шт.
Звезда Не определен
Под заказ
Артикул:
U702.20.13
Код:
0000/160188
143.36
Ручка-кнопка черный матовый (KH.03.000.BLM)
Звезда Не определен
Под заказ
Артикул:
KH.03.000.BLM
Код:
0000/77854
255.34
FAST коннектор для проводов, линейный, 0,32-0,52 мм2, прозрачный (FA2-L-1-T)
Звезда Не определен
В наличии
Артикул:
FA2-L-1-T
Код:
0000/147036
131.47
LIBRA H7 Алюминиевый профиль для навеса, стандартный,  длина 796 мм
Звезда Не определен
Под заказ
Артикул:
6700796200
Код:
0000/163850
2258.00
Ручка-скоба 96мм серебро Венецианское
Звезда Не определен
Под заказ
Артикул:
WMN.634.096.00M5
Код:
0000/36614
578.48
Заглушка металлическая для винта стяжки конической стяжки GR14 (CF17)
Звезда Не определен
Под заказ
Артикул:
CF17
Код:
0000/77163
9.98
GRACE Полкодержатель для стеклянных полок толщиной 8 мм, под шток, черный никель
Звезда Не определен
Под заказ
Артикул:
1 61210 30 YQ
Код:
0000/157127
119.60
GRACE Полкодержатель для стеклянных полок толщиной 8 мм, под шток, хром
Звезда Не определен
Под заказ
Артикул:
1 61210 30 KB
Код:
0000/157126
166.48
Профиль SM1, накладной, золото матовое, 16х7,5мм, L-3000 (LSP-SM1-ALU-3-GL)
Звезда Не определен
Под заказ
Артикул:
LSP-SM1-ALU-3-GL
Код:
0000/146959
1084.67
Крестовина для 2 стекол, 5 мм
Звезда Не определен
Под заказ
Артикул:
5X2 (H) / 100 ШТ
Код:
0000/160316
900.00
Профиль-ручка 768мм (L=927мм) черный матовый (краска RAL9005)
Звезда Не определен
Под заказ
Артикул:
PH.RU31.927.BL
Код:
0000/161582
1677.20
Ручка-кнопка D40мм Terracotta pop
Звезда 3.50
Под заказ
Артикул:
WPO.880.040.003L
Код:
0000/160811
802.77
Комплект креплений задней стенки Rejs Comfort Box, H204, серый
Звезда Не определен
Под заказ
Артикул:
TH03.0330.01.002
Код:
0000/161728
164.79
Профиль-ручка 768мм (L=927мм) золото матовое (краска)
Звезда Не определен
Под заказ
Артикул:
PH.RU31.927.GL
Код:
0000/161580
1677.20
SMART, Контроллер для RGB лент, 2.4 ГГц
Звезда Не определен
Под заказ
Артикул:
CO-RGB-R-WH
Код:
0000/167531
1664.78
SMART, Контроллер для монохромных, CCT,  RGB, RGBW, RGBCCT лент, 2.4 ГГц, WiFi, Tuya
Звезда Не определен
Под заказ
Артикул:
CO-TU-5IN1-R-WIFI-BT
Код:
0000/167538
3960.00
LIBRA BS Навес для кухонных коробов нижнего яруса, ширина фасада 1200 мм (комплект)
Звезда Не определен
Под заказ
Артикул:
6 500120 01
Код:
0000/42251
22000.00
SYMETRA Планка для навесов с системой против опрокидывания
Звезда Не определен
Под заказ
Артикул:
P240702100
Код:
0000/168595
484.86
Крючок трехрожковый золото матовое
Звезда Не определен
Под заказ
Артикул:
HK.40.GA
Код:
0000/163770
557.57
Профиль-ручка 1152мм (L=1400мм) черный матовый (краска RAL9005)
Звезда Не определен
Под заказ
Артикул:
PH.RU31.1400.BL
Код:
0000/161579
2469.04
Профиль-ручка 320мм (L=340мм) золото матовое (краска)
Звезда Не определен
Под заказ
Артикул:
PH.RU31.340.GL
Код:
0000/161583
674.13
Профиль-ручка 320мм (L=340мм) черный матовый (краска RAL9005)
Звезда Не определен
Под заказ
Артикул:
PH.RU31.340.BL
Код:
0000/161585
674.13
VERSA Крючок двухрожковый бронза состаренная
Звезда Не определен
Под заказ
Артикул:
HK.31.ABV
Код:
0000/156172
624.42
Релинг круглый средний Rejs Comfort Box, NL450, белый
Звезда Не определен
Под заказ
Артикул:
TH03.0242.01.003
Код:
0000/161677
302.30
Пульт ДУ для выключателя  диммируемого, цвет черный, с крепежом
Звезда Не определен
Под заказ
Артикул:
SW1-RC-REM
Код:
0000/165230
1394.56
KOSMO полкодержатель для стеклянных полок толщиной 5-6 мм, со штоком, прозрачный
Звезда Не определен
Под заказ
Артикул:
1 60200 10 ZZ
Код:
0000/157131
62.88
Крючок двухрожковый черный матовый
Звезда Не определен
Под заказ
Артикул:
HK.37.BLM
Код:
0000/164855
476.00
SMART, Контроллер для лент SPI, 2.4 ГГц
Звезда Не определен
Под заказ
Артикул:
CO-SPI-3IN1-R
Код:
0000/167536
2265.12
Релинг круглый средний Rejs Comfort Box, NL300, белый
Звезда Не определен
Под заказ
Артикул:
TH03.0332.01.003
Код:
0000/161674
240.93
Выключатель для зеркала на взмах, диммируемый, 1 кнопка, 24В
Звезда Не определен
Под заказ
Артикул:
SW1-MR-MS-D
Код:
0000/164837
1437.95
SMART, Контроллер для монохромных и CCT лент, 2.4 ГГц, WiFi, Tuya
Звезда Не определен
Под заказ
Артикул:
CO-TU-2IN1-R-WIFI-BT
Код:
0000/167537
3312.14
Крючок двухрожковый никель матовый
Звезда Не определен
Под заказ
Артикул:
HK.37.SN
Код:
0000/163775
476.00
SMART, Контроллер для CCT лент, 2.4 ГГц
Звезда Не определен
Под заказ
Артикул:
CO-CCT-R-WH
Код:
0000/167530
1599.84
STANDART Диммер с пультом ДУ,  433 МГц, для светодиодной ленты RGBW
Звезда Не определен
Под заказ
Артикул:
CORE-ST-RGBW-RC-BL
Код:
0000/167522
2037.02
PK2 Полкодержатель пластик светло-серый
Звезда Не определен
Под заказ
Артикул:
2597 041
Код:
0000/34470
38.82
SMART, Шлюз для контроллеров, 2.4 ГГц, Tuya
Звезда Не определен
Под заказ
Артикул:
PRTL-R-WIFI-WH
Код:
0000/167534
4040.78
GRACE Полкодержатель для стеклянных полок толщиной 8 мм, со штоком, никель
Звезда Не определен
Под заказ
Артикул:
16121030YA
Код:
0000/160156
119.60
Цилиндр с внутренней резьбой М4 Х 18
Звезда Не определен
Под заказ
Артикул:
CIT M4 X 18 MP
Код:
0000/165048
11.20
SMART, Контроллер для RGBCCT лент, 2.4 ГГц
Звезда Не определен
Под заказ
Артикул:
CO-RGBCCT-R-WH
Код:
0000/167533
1922.98
Цилиндр с внутренней резьбой М4 Х 15
Звезда Не определен
Под заказ
Артикул:
CIT M4 X 15 MP
Код:
0000/165047
9.92
Ручка-скоба 160мм белый матовый (BH.01.160.WTM)
Звезда Не определен
Под заказ
Артикул:
BH.01.160.WTM
Код:
0000/104299
249.00
Релинг прямоугольный средний Rejs Comfort Box, NL400, белый
Звезда Не определен
Под заказ
Артикул:
TH03.0378.01.003
Код:
0000/161701
451.17
Релинг круглый верхний Rejs Comfort Box, NL450, белый
Звезда Не определен
Под заказ
Артикул:
TH03.0339.01.003
Код:
0000/161664
302.30
Боковина ящика HETTICH АванТех Ю / AvanTech You, H77, NL400, серебристый, правая
Звезда Не определен
Под заказ
Артикул:
9255001
Код:
0000/157235
1745.68
SMART, Контроллер для монохромных лент, 2.4 ГГц
Звезда Не определен
Под заказ
Артикул:
CO-S-R-WH
Код:
0000/167529
1534.90
Крючок двухрожковый хром матовый
Звезда Не определен
Под заказ
Артикул:
HK.37.SC
Код:
0000/163774
476.00
Ручка-скоба 160мм латунь
Звезда 3.50
Под заказ
Артикул:
WMN.846.160.006C
Код:
0000/158706
1314.08
SMART, Контроллер для RGBW лент, 2.4 ГГц
Звезда Не определен
Под заказ
Артикул:
CO-RGBW-R-WH
Код:
0000/167532
1793.09
Ручка-скоба 192мм белый матовый (BH.01.192.WTM)
Звезда Не определен
Под заказ
Артикул:
BH.01.192.WTM
Код:
0000/104301
299.00
SMART, Шлюз для контроллеров, Zigbee 3.0, Tuya
Звезда Не определен
Под заказ
Артикул:
PRTL-ZB-WH
Код:
0000/167535
5132.16
LIBRA CH Конечный элемент профиля-навеса, с креплением на саморезы
Звезда Не определен
Под заказ
Артикул:
6 40001 09
Код:
0000/42261
357.66
Крючок двухрожковый золото матовое
Звезда Не определен
Под заказ
Артикул:
HK.39.GA
Код:
0000/163769
416.27
LIBRA H11 Заглушка для мебельного навеса, пластик, белая, левая (6 34907 10 AB)
Звезда Не определен
Под заказ
Артикул:
6 34907 10 AB
Код:
0000/97554
117.70
PK2 PRO Опора полкодержателя с отверстием, черный никель
Звезда Не определен
Под заказ
Артикул:
11412030YQ
Код:
0000/159339
47.52
KRISTAL Полкодержатель для стеклянных полок толщиной 8 мм, под саморез, хром
Звезда Не определен
В наличии
Артикул:
1 61140 10 KB
Код:
0000/37742
152.06
PK2 PRO Заглушка опоры полкодержателя, антрацит
Звезда Не определен
Под заказ
Артикул:
11448010EE
Код:
0000/159343
7.28
GRACE Полкодержатель для стеклянных полок толщиной 5-6 мм, со штоком, никель
Звезда Не определен
Под заказ
Артикул:
1 61200 30 YA
Код:
0000/160155
116.43
Ручка-скоба 96мм белый/серебро винтаж керамика серебряные узоры (WMN.68.00.M2.096.V4)
Звезда Не определен
Под заказ
Артикул:
WMN.68.00.M2.096.V4
Код:
0000/76711
699.00
Релинг круглый верхний Rejs Comfort Box, NL500, серый
Звезда Не определен
Под заказ
Артикул:
TH03.0340.01.002
Код:
0000/161672
356.85
Пантограф с полкой КЕССЕБЁМЕР / KESSEBOHMER Конеро W 805-988, шампань
Звезда Не определен
Под заказ
Артикул:
2382849853
Код:
0000/155188
42334.00
Выключатель врезной, белый
Звезда Не определен
В наличии
Артикул:
SW-SN-R-WH
Код:
0000/154203
139.87
Ручка-кнопка железо черное
Звезда Не определен
Под заказ
Артикул:
WPO.762.000.00T2
Код:
0000/36108
150.00
KRISTAL Полкодержатель для стеклянных полок толщиной 5-6 мм, со штоком, никель
Звезда Не определен
Под заказ
Артикул:
1 61130 40 YA
Код:
0000/160152
105.02
Выключатель на преграду, для установки в профиль, ширина 8 мм, 12/24В, 60/120Вт
Звезда Не определен
Под заказ
Артикул:
SW1-DS-PR-8
Код:
0000/165294
1119.25
Заглушка торцевая для SM7, без отверстия (LSPA-CAP-SM7-0)
Звезда Не определен
Под заказ
Артикул:
LSPA-CAP-SM7-0
Код:
0000/146989
50.00
Крючок трехрожковый никель матовый
Звезда Не определен
Под заказ
Артикул:
HK.40.SN
Код:
0000/163772
557.57
Заглушка торцевая для СМ1/CM2 (LSPA-CAP-CM1/2-AL)
Звезда Не определен
В наличии
Артикул:
LSPA-CAP-CM1/2-AL
Код:
0000/49722
19.55
Ручка-кнопка D30мм латунь
Звезда 3.50
Под заказ
Артикул:
WPO.826.030.006C
Код:
0000/160723
331.86
Выключатель для зеркала сенсорный, диммируемый, обогрев, 2 кнопки, 12/24В
Звезда Не определен
Под заказ
Артикул:
SW1-MR-TS-D-W
Код:
0000/164840
950.08
LIKU WP Планка для скрытого навеса, сталь
Звезда Не определен
Под заказ
Артикул:
6 38024 00 ZN
Код:
0000/42245
779.65
APC Заглушка для навеса D12, пластик, антрацит
Звезда Не определен
Под заказ
Артикул:
65270200EE
Код:
0000/166546
14.74
KUBIC Полкодержатель для стеклянных полок толщиной 4-9 мм, со штоком, никель
Звезда Не определен
Под заказ
Артикул:
1 60200 60 YA
Код:
0000/37731
234.59
INTEGRATO TECH A Опора регулируемая, регулировка 20 мм (3505003000)
Звезда Не определен
Под заказ
Артикул:
3505003000
Код:
0000/150220
205.92
Клейкая лента двусторонняя на вспененной основе (ПЭ), Ш=19 мм, Д=10 м (1910 P)
Звезда Не определен
Под заказ
Артикул:
1910 P
Код:
0000/147097
336.72
Крючок двухрожковый золото матовое
Звезда Не определен
Под заказ
Артикул:
HK.37.GA
Код:
0000/163773
476.00
Начисленные баллы Вы можете потратить при оформлении повторного заказа в нашем интернет-магазине. Для того чтобы оплатить баллами новый заказ требуется указать код на скидку, который активируется при формировании заказа. Баллы начисляются только на определенные товарные группы. Каждый балл равен одному рублю. Код на скидку можно использовать один раз в течении 30 дней с момента его формирования. Удачных Вам покупок.
Информация о наличии товара будет направлена на указанный при оформлении заказа e-mail после обработки заказа.
В корзине отсутствуют товары
0 товаров
0.00
Подписаться на рассылку
 
Вверх
Вниз